Descriere
Doriti montaj sau consultanta?
Nu ezitati sa ne contactati la numarul de telefon☎ 0724519545.
Pompă de înaltă eficienţă Wilo-Stratos reglată electronic.
Pompă de circulaţie cu rotor umed cu cheltuieli minime de exploatare, destinată pentru montaj pe conductă. Adecvată pentru toate instalaţiile de încălzire, ventilare şi climatizare (‐10 °C la +110 °C). Cu reglajul electronic al puterii integrat pentru presiune diferenţială constantă/variabilă. Cochilii termoizolante, standard. Dotare de serie cu panou de comandă manuală cu un singur buton pentru:
– Pornirea / oprirea pompei
– Selectarea modului de reglare: – dp-c (presiune diferenţială constantă)
– dp-v (presiune diferenţială variabilă)
– dp-T (presiune diferenţială în funcţie de temperatură) prin intermediul telecomenzii/stick-ului IR, Modbus, BACnet, LON sau Can
– Q-limit pentru limitarea debitului volumetric maxim (reglare numai prin stick-ul IR)
– Funcţionare cu reglaj (reglarea turaţiei constante)
– Funcţionare automată cu turaţie redusă (autoadaptare)
– Reglajul valorii de referinţă, respectiv al turaţiei
Display grafic al pompei cu afişaj rabatabil pentru module orizontale, cât şi verticale, destinat pentru afişarea următoarelor elemente:
– Regim de lucru
– Mod de reglare
– Valoare impusă a presiunii diferenţiale respectiv a turaţiei
– Mesaje de eroare şi de avertisment
Motor sincron de cea mai înaltă eficienţă, construit cu tehnologia ECM, cu cuplu de pornire ridicat, funcţie automată de deblocare şi protecţie totală motor integrată.
Lampă semnalizare avarie, semnalizare colectivă de avarie fără potenţial, interfaţă IR pentru comunicarea fără fir cu aparatul de comandă şi service telecomanda IR/stick-ul Wilo.
Slot pentru module IF-Wilo Stratos cu interfeţe pentru sistemul de automatizare a clădirii GA respectiv controlul pompelor duble (accesorii: module IF Stratos Modbus, BACnet, LON, CAN, PLR, Ext.Off, Ext.Min, SBM, Ext.Off/SBM sau pompă dublă).
Carcasa pompei confecţionată din fontă cenuşie acoperită prin cataforeză, rotorul confecţionat din material plastic armat cu fibre de sticlă, axul confecţionat din oţel superior şi dotat cu lagăre de alunecare confecţionate din carbon impregnat cu metal.
La pompe cu flanşă – variante cu flanşă:
– Execuţie standard pentru pompele DN 32 până la DN 65: Flanşă combinată PN 6/10 (flanşă PN 16 conform EN 1092-2) pentru contraflanşa PN 6 şi PN 16
– Execuţie standard pentru pompele DN 80 / DN 100: Flanşă PN 6 (PN 16 dimensionată conform EN 1092-2) pentru contraflanşa PN 6
– Execuţie specială pentru pompele DN 32 până la DN 100: Flanşă PN 16 (conform EN 1092-2) pentru contraflanşa PN 16
Materiale:
Carcasa pompei : fontă cenuşie (EN‐GJL‐200)
Rotor : plastic (PPE – 30% GF)
Ax pompă : oţel inoxidabil (X39CrMo17-1)
Lagăr : Carbon impregnat cu metal
Parametri tehnologici:
Fluid pompat : Apa 100 %
Temperatura agentului pompat : 20 °C
Temperatura min. a fluidului pompat : -10 °C
Temperatura max. a fluidului pompat : 110 °C
Presiunea maximă de serviciu : 10 bar
Înălţime minimă de intrare la
50 °C/ 95 °C/ 110 °C : 3 m/ 10 m/ 16 m
Temperatură ambiantă max. : 40 °C
Motorul şi sistemul electronic:
Indice de eficienţă energetică (EEI) : ≤ 0.20
Emitere de perturbaţii : EN 61800-3;2004+A1;2012 /residential area (C1)
Rezistenţă la perturbaţii : EN 61800-3;2004+A1;2012 /industrial environment (C2)
Reţea de alimentare : 1~230V/50 Hz
Puterea absorbită P1 : 0,009 kW … 0,19 kW
Număr max. de turaţii : 1400 1/min … 4450 1/min
Consum de curent : 0,13 A … 1,3 A
Tip de protecţie : IP X4D
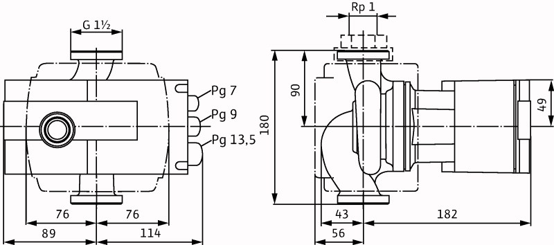
Conectori cabluri : 1×7/1×9/1×13.5
Cote racord:
Racorduri : G 1½ PN 10
Lungime : 180 mm
Informaţii privind comanda:
Greutate aprox. : 4,1 kg
Produs : Wilo
Tip : Stratos 25/1-10 PN 10
Nr. articol : 2103615





Recenzii
Nu există recenzii până acum.