Descriere
Doriti montaj sau consultanta?
Nu ezitati sa ne contactati la numarul de telefon☎ 0724519545.
Această pompă de circulaţie este adecvată numai pentru apă potabilă.
Utilizabil pentru sisteme de recirculare a apei potabile în industrie şi pentru instalaţii ce deservesc clădirile.
Pompă de circulaţie cu rotor umed, fără întreţinere, cu racord filetat sau cu flanşă, trepte de turaţie selectabile pentru adaptarea puterii.
Echiparea şi funcţionarea:
– Adaptarea manuală a puterii cu 3 trepte de turaţie
– Pompă cu motor 1~: – P2 până la 90W: Protecţie internă împotriva temperaturilor nepermis de mari în bobinaj
– P2 = 180 W: Protecţie totală a motorului cu senzori cu contacte în înfăşurări în combinaţie cu releu
– Pompă cu motor 3~: – P2 până la 90W: Protecţie internă împotriva temperaturilor nepermis de mari în bobinaj
– P2 ≥ 180W: Protecţie totală a motorului cu sistem electronic de declanşare integrat
– Lampă de avarie
– Contact pentru semnalare generală de defecţiune
– Lampă de control al sensului turaţiei
– Alimentare electrică 3~230 V cu ştecher de adaptare opţional
– Carcasa pompei confecţionată din bronz sau fontă cenuşie (oţel inoxidabil, în funcţie de tip)
– Flanşă combinată PN 6/PN 10 (la DN 40 până la DN 65)
– Cochilii termoizolante
– Funcţii suplimentare prin Protect Module C, cu posibilitate de montare ulterioară – Semnalizare de avarie SSM sub formă de contact normal închis fără potenţial
– Semnalizare de funcţionare SBM sub formă de contact normal deschis fără potenţial
– Intrare de comandă „Prioritate dezactivată” prin contact extern fără potenţial (contact normal închis)
– Recunoaşterea blocării
– Protecţie totală a motorului cu releu integrat
– Validarea avariei
– Controlul pompelor cu două rotoare (două pompe individuale montate paralel) Regim principal/Regim de rezervă (comutare automată în caz de avarie/alternarea programată a pompelor)
Materiale:
Carcasa pompei : oţel inoxidabil
Rotor : plastic (PPE – 30% GF)
Ax pompă : ceramică
Lagăr : Carbon impregnat cu răşină sintetică
Parametri tehnologici:
Fluid pompat : Apa 100 %
Temperatura agentului pompat : 20 °C
Temperatura min. a fluidului pompat : 0 °C
Temperatura max. a fluidului pompat : 65 °C
Presiunea maximă de serviciu : 10 bar
Duritate totală maximă admisibilă la utilizarea în instalaţiile de recirculare a apei potabile :3.21 mmol/l (18 °dH)
Motorul şi sistemul electronic:
Emitere de perturbaţii : EN 61000-6-3
Rezistenţă la perturbaţii : EN 61000-6-2
Reţea de alimentare : 1~230V/50 Hz
Puterea absorbită P1 : 0,05 kW … 0,105 kW
Număr max. de turaţii : 2100 1/min … 2790 1/min
Consum de curent : 0,35 A … 0,5 A
Tip de protecţie : IP X4D
Conectori cabluri : 1×13.5
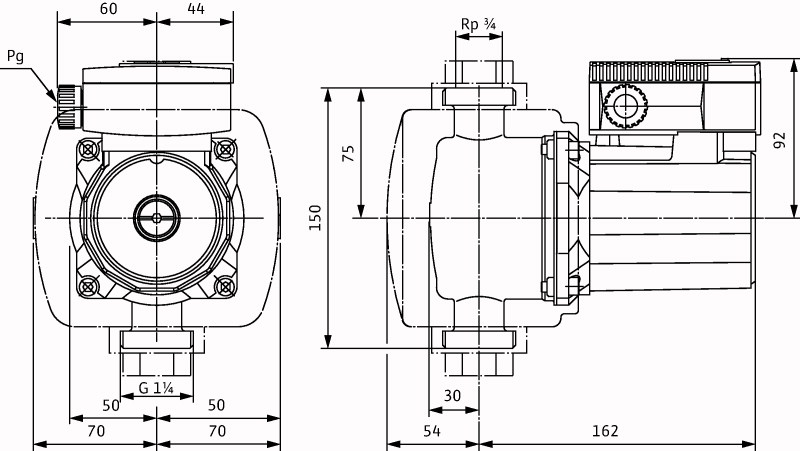
Cote racord:
Racorduri : G 1¼ PN 10
Lungime : 150 mm
Informaţii privind comanda:
Greutate aprox. : 3 kg
Produs : Wilo
Tip : TOP-Z 20/4 1~ PN 10
Nr. articol : 2045519






Recenzii
Nu există recenzii până acum.