Descriere
Doriti montaj sau consultanta?
Nu ezitati sa ne contactati la numarul de telefon☎ 0724519545.
Pompă centrifugă monoetajată cu rotor uscat în construcţie compactă inline, cu motor trifazat montat direct prin flanşă şi ax monobloc sau cu manta de etanşare şi motor standard montat rigid prin cuplaj (model N). Seria constructivă IPL este destinată pentru montajul pe conductă sau fixarea pe fundaţie. Consolele sunt disponibile ca accesorii. Cu etanşare mecanică cu circulaţie forţată tip burduf de etanşare, independentă de sensul de rotaţie şi rotor de plastic care reduce cavitaţia pompei.
Flanşă cu prize de presiune R 1/8. Carcasa pompei şi mantaua de etanşare acoperite prin cataforeză.
Materiale:
Carcasa pompei : EN-GJL-200
Rotor hidraulic: : PPO-GF30
Grup suspendat : EN-GJL-250
Ax pompă : 1.4021 [AISI420]
Etanşare mecanică : AQEGG
Parametri tehnologici:
Fluid pompat : Apa 100 %
Temperatura agentului pompat : 20 °C
Temperatura min. a fluidului pompat : -20 °C
Temperatura max. a fluidului pompat : 120 °C
Presiunea maximă de serviciu : 10 bar
Temperatură ambiantă max. : 40 °C
Indice de eficienţă minimă (MEI) : –
Motor:
Reţea de alimentare : 3~400 V ±10 %, 50 Hz
Motor nivel de eficienţă : IE2
Putere nominală P2 : 0,12 kW
Turaţie nominală : 2780 1/min
Intensitate nominală : 0,33 A
Tip de protecţie : IP 55
Grad de eficienţă a motorului ηm 50% : 66,3 %
Grad de eficienţă a motorului ηm 75% : 72,2 %
Grad de eficienţă a motorului ηm 100% : 64,0 %
Factor de putere : 0,75
Clasa de izolaţie : F
Protecţia motorului : nu
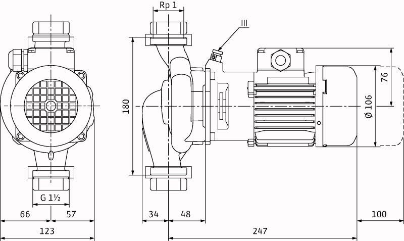
Cote racord:
Racord conductă la aspiraţie : G 1½, PN 10
Racord conductă pe refulare : G 1½, PN 10
Lungime : 180 mm
Informaţii privind comanda:
Greutate aprox. : 7 kg
Produs : Wilo
Tip : IPL 25/70-0,12/2 PN 10
Nr. articol : 2089569





Recenzii
Nu există recenzii până acum.